Pràctica 1 :: Estudi i Generació de Senyals Digitals

[última actualització: 19/10/2004]
L'objectiu d'aquesta primera pràctica és l'anàlisi dels nivells associats als valors lògics " 1 " i " 0 " per a senyals digitals de tipus TTL i CMOS. També es pretén veure un mètode de generació de senyals digitals mitjançant la utilització del timer 555. Els diferents apartats que cal realitzar en aquesta pràctica són:
  1. Analitzar, a partir de la documentació tècnica que es proporciona del dispositiu 7400, quin és el seu límit de carregabilitat màxima (fan-out), per assegurar-ne un correcte funcionament.

  2. Comprovar, muntant el circuit de la Figura 1, que efectivament el dispositiu 7400 deixa de funcionar com una porta lògica AND quan se supera el seu fan-out. Per això, primer realitzareu les mesures fixant el potenciòmetre al seu valor màxim, i comprovant que el dispositiu lògic realitza correctament la seva funció. A mesura que modifiqueu el valor del potenciòmetre, comproveu quin és el resultat sobre la funció lògica de sortida, mesurant la tensió associada. Compareu, realitzant les mesures oportunes de tensió i corrent, si els resultats obtinguts s'ajusten al que diu el full de característiques del dispositiu. Cal soldar el circuit a la placa de PCBATENCIÓ!
    Figura 1: Muntatge per a comprovar la carregabilitat d'una porta lògica.

  3. Utilitzant un 555, i un cop analitzada detalladament la seva documentació tècnica per a comprendre'n el funcionament, implementar un generador d'un senyal quadrat de 0 a 5 Volts i d'1 KHz de freqüència (s'entén que ha de ser un senyal quadrat "perfecte", en la forma que mostra la Figura 2; és a dir tH = tL). Podeu muntar el circuit a la protoboardATENCIÓ!
    Figura 2: Forma d'ona per a un senyal quadrat.

  4. Modificar el muntatge anterior per tal que el generador de senyal digital proporcioni un senyal periòdic amb tH = 3tL, mantenint però la mateixa freqüència del senyal (1 KHz).
    Figura 3: Forma d'ona per a un senyal amb tH = 3tL.

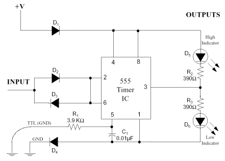
  5. Muntar el circuit del provador lògic que es mostra a la Figura 4, comprovant per al senyal d'entrada quins són els marges de tensió associats als diferents valors lògics, en funció de si es tracta de lògica TTL o lògica CMOS. Indiqueu també quins són els marges de tensió corresponents a la zona indeterminada. Podeu muntar el circuit a la protoboardATENCIÓ!

    El circuit funciona com un provador lògic, de forma que s'activa l'indicador de nivell alt o nivell baix en funció de la tensió que hi a l'entrada. Connectant el senyal GND per TTL el circuit associa les tensions als nivells lògics TTL, mentres que quan està a l'aire, el circuit associa les tensions als nivells lògics CMOS.
    Figura 4: Diagrama per a un circuït provador lògic.

Qüestionari

És recomanable omplir-lo abans d'iniciar la primera sessió d'aquesta pràctica.
  1. Què signifiquen els següents paràmetres elèctrics per a un dispositiu lògic:

    • VIH:

    • VIL:

    • VOH:

    • VOL:
    • IIH:

    • IIL:

    • IOH:

    • IOL:

  2. A partir de les especificacions proporcionades pel full de característiques del dispositiu 7400 utilitzat, indiqueu (justificant-ho oportunament) quin és el seu valor màxim de carregabilitat (fan-out).

  3. Quins són els nivells de tensió associats a cada nivell lògic per al dispositiu 555 que s'utilitzarà en el laboratori? Indica-ho en termes de VCC.

  4. Quina diferència hi ha entre el funcionament en mode astable i monoestable per a un dispositiu del tipus 555?

  5. Quin és el circuit que cal muntar per a implementar el generador de senyal quadrat? Indica, raonant l'elecció, quins són els valors emprats per a les resistències i condensadors que s'utilitzaran en el circuit.

  6. Quines modificacions cal fer a l'anterior muntatge per a que tH = 3tL?

  7. Quins són (típicament) els nivells de tensió associats a cada nivell lògic per a dispositius TTL i dispositius CMOS? (indica-ho amb percentatge de VCC, considerant valors estàndards entre les diferents sèries per cada tecnologia).